ArgosLib.lvlib:Median Filter.vi
Connector Pane

Front Panel

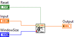
Controls and Indicators
|

|
Input |
|

|
WindowSize |
|

|
Reset |
|

|
Output |
Block Diagram

List of SubVIs and Express VIs with Configuration Information
VI Revision History
"ArgosLib.lvlib:Median Filter.vi History"
Current Revision: 3
Position in Hierarchy

Iconified Cluster Constants